Carbon Steel / Stainless / Alloy Flanges per ASME / ANSI / AWWA / API
Manufacturing and Supplying a complete line of Pipe Flanges with Multiple materials available.
SINCE 1986
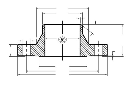
Weld neck flanges are the go-to choice for most piping applications - and for good reason. They feature a neck extension with a weld bevel at the end, which lets them connect directly to pipe in a way that feels almost seamless. In larger sizes and higher pressure classes, you'll rarely see anything else used. If there were only one bored flange style to choose from, the weld neck would probably win every time (yes, you still need a blind flange to cap the line off).
Here's how the connection works: the weld bevel meets a matching bevel on the pipe end in a V-shaped joint, allowing for a clean, circular weld all the way around. The result is a smooth, unified transition that lets gas or liquid flow through with very little restriction. After welding, the joint gets inspected to make sure the seal is solid and free of any defects.

Another thing that sets weld neck flanges apart is the standardized, tapered hub. Rather than an abrupt change between pipe and flange, the hub creates a gradual shift that spreads out pressure forces more evenly at a nice angle, like the slope of a mountain. This makes a real difference in high-pressure, high-temperature environments where stress and shock are constant concerns - the extra material along that transition helps absorb it all.
Because weld necks are the standard for high-pressure applications, they're often paired with a ring type joint (RTJ) face. This sealing surface uses a metal gasket that gets compressed between the grooves of two connecting flanges, forming an exceptionally tight seal. Combined with the strength of the weld bevel connection, an RTJ weld neck with a metal gasket is the top pick whenever the stakes are high, and are even required in some specifications such as for API 6A flanges.
We provide ASME and Non code Industrial pipe flanges for the Petrochemical, Process, and Waterworks industries in Stainless Steel Industrial Flanges, Alloy Steel Industrial Flanges and Carbon Steel Industrial Flanges. ANSI, API, AWWA pipe flanges in carbon steel, stainless steel, alloys and chrome steel. Our steel flanges can be Weld Neck, Slip on, Blind, Threaded, Socket Weld, Lap Joint, Orifice Flanges, Ring, and custom steel flanges in sizes 1/2" to 203". Pressure classes: 75, 125, 150, 175, 250, 300, 350, 400, 600, 900, 1500, 2500, 5K, 10K, 15K, 20K. High Yield, Low Temp.

1/2" – 202" INDUSTRIAL FLANGES
ANSI / ASME FORGED FLANGES
MSS-SP-44 FLANGES / ANSI B 16.47 SERIES A
API TYPE 6A – RTJ Face Flanges
API-605 FLANGES / ANSI B 16.47 SERIES B
A.G.A. ORIFICE UNIONS – With or without Hardware
ASME BOILER CODE FLANGES
CL. 125 LIGHTWEIGHT FLANGES – Low pressure
PLATE FLANGES – 1/4″ thru 8″ Thick, AWWA C-207
ANSI LONG WELDNECKS & SPECIAL BODY CONNECTORS
STUDDING OUTLETS (pad flanges)
SPECTACLE BLINDS – Line blinds, paddle spacers
DIN FLANGES / JIS FLANGES / Special Ring Flanges
ASTM/ASME SA-105, A-350 LF-2, LF-3, A694, SA-516-70, A36
A-182-F-1, F-5, F-6, F-9, F-91, F-11, F-12, F-22
A-182: F-304, 304/304L, 316/316L, 304H, 316H, 309, 310, 317L, 321, 347, 347H, 904L, Alloy 20, and other H grades
Hastelloy B-2, C-276, G, X, C-22 | Inconel 600, 601, 625, 718 | Incoloy 800, 825, 800H, 800HT | Monel 400
3003, 6061, 5083 and other grades upon request
Copper 90/10, 70/30 | Duplex F51/2205, F53/2507 | Titanium Gr2, Gr12
We also offer a full line of Stainless and Alloy Plate Flame Cutting and Galvanized Carbon Steel Flanges. There are some grades of steel that no flange producers stock but on occasion are required. We source them and make them per your requirements.
We want your industrial flange inquiry and will give you your quote quickly!
Phone: 281-484-8325
Request a Quote